Двухступенчатое сигнальное оборудование NEX·U·® для отработанного масла

Двухступенчатое сигнальное оборудование NEX·U·® для отработанного масла

В наличии Доставка обычно в течение X дней

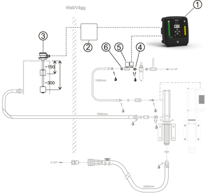
Оборудование имеет классификацию EX в соответствии с правилами обращения с отходами. Ящик может вмещать до двух резервуаров. Оборудование поставляется в разобранном виде в комплекте, состоящем из следующих элементов: Панель управления (23829), Ex Barrier (23187), Реле уровня (23132), Электромагнитный клапан (48059)

Технические данные

Номер артикула
23840
Таможенный код
85371010
Сравнивать